爱技术

 找回密码
 注册会员

QQ登录

只需一步,快速开始

微信登录

微信扫一扫,快速登录

搜索
查看: 755|回复: 12
收起左侧

[原创] 【结题】对如何通过修改SP65的硬件来进行刷机的一点点探索,欢迎高手拍砖

[复制链接]
发表于 2009-1-11 02:48:36 | 显示全部楼层 |阅读模式

马上注册,结交更多好友,享用更多功能,让你轻松玩转社区。

您需要 登录 才可以下载或查看,没有帐号?注册会员 微信登录

x
本帖最后由 蓝杰 于 2009-9-17 00:21 编辑

wap46::ii 去年年底的时候从华强北淘换回来一个SP65,从还带着的通讯录和短信,以及在网上查了IMEI信息,基本判断出这部手机是欧版的,而且是一英国人用的。

但真正想要刷成中文系统的时候,在论坛中搜索资料才发现需要改动硬件才可以,不过貌似大家都知道需要改硬件,但具体改动哪里却并不明确。

直到上次在园博园的机友会上现场拆机,得到了像烧鹅、下砂等高手的指点之后才有了些眉目,据烧鹅讲SP65和S65在CPU附近有电阻不同,但也不是很清楚到底哪个了,反正按照S65的来修改就可以了,但回来后直到现在才有时间来研究这件事情。

由于自己的S65螺丝早已花了,不敢再拆,就将从前保存的其他机友的S65拆机图打开,拿着自己的SP65板子一一对比,发现好像屏蔽罩中的IC周围的电阻都是相同的,但对比别的地方时发现在CPU(PMB8875)右边,屏蔽罩外面靠边的地方有4个电阻的排列方式是不同的,如下图所示(左边是S65,右边是SP65):

截图07.jpg                             截图06.jpg

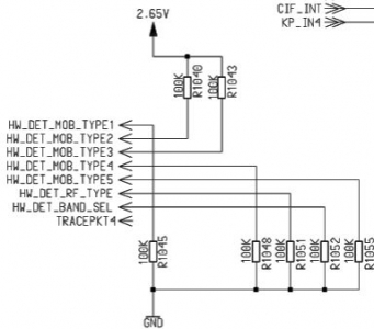
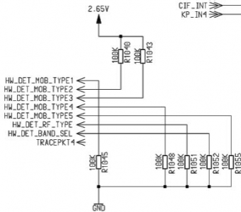
找来S65的硬件资料,从主板的图中能看的到这几个电阻的编号(但不明白右图电阻列表中编号右边的4C和5C什么意思):
根据这几个编号在CPU一页的原理图上找到了这几个电阻的接线方式,但基本上能够找到的东西就只有这些了。
截图04.jpg                       截图05.jpg             截图02.jpg

根据这些资料,尤其是最后一张图上接线的名称,我怀疑这几个电阻起到了类似硬件的拨码开关的作用,即哪几个组合是表示什么类型的应用。而且如果猜想正确的话,将SP65上这几个电阻(第二张图)中右边第一个放在上面,即R1043位置,右边第二个放在下面,即R1045位置,应该就能够正常刷中文的系统和补丁了。

但这仅仅是猜想,而且我也没这个能力和装备来修改硬件,所以还是希望能够有真正知道的高手能够给出正解,或者论坛中的机友有SP65且刷了中文的,尤其是从小辉那里买来的Sp65,能够给张拆机图来确认一把~~

如果真是这样的话,改起来就很easy了,估计真的是每个修手机的地方都能改wap45::ii




一直很忙,后来找了一个修手机的花了5块钱将两个电阻的位置对调了一下,发现无法开机,显示为滴的一声,但用刷机软件是可以连上的,只不过提示要输入什么密码,后来也就不了了之~~

发生转机是在6月份,在论坛的交易区看到有朋友卖自己的SP65主板,然后想到自己这个算作尸体的SP65,就收了那块主板,拿到手后就立马核对主板上的这几个电阻的排列,发现和我的猜想完全相同,确实是将那两个 电阻对调了,这证明了我的SP65主板硬件改动 是正确的~~

但是为什么我的无法刷机呢,仔细回想了我的S65刷机 之前的步骤,发现自己应该 是算犯了一个 错误,就是应该在改硬件 之前先算出那堆什么什么码出来,做好备份,然后 再去改,而现在如果想补救,只能靠暴力破解了~~

上个月败了个索爱的X1,就一直没来0110看看,今天忽然想起这档子事了,也 算做个了结吧,虽然坛子的兄弟很少能够用到这个 帖子的东西,权当交作业了~~


自己让手机店老板帮忙改的主板和收来的已经改 好的主板的对比,是相同的:

QQ截图未命名.jpg

评分

参与人数 2实力分 +1 金钱数 +20 技术分 +2 收起 理由
永远的肥皂泡 + 1 + 2 奖励:感谢-你的发言非常精彩,请再接再励! ...
迷恋你的香水 + 20 奖励:感谢-你的发言非常精彩,请再接再励! ...

查看全部评分

 楼主| 发表于 2009-1-11 02:50:18 | 显示全部楼层
奇怪,为什么第三张截图给加了个水印?

但其他的却没有~~
回复 支持 反对

使用道具 举报

发表于 2009-1-11 10:47:30 | 显示全部楼层
这位机油也很好学的,没有SP的支持你!
回复 支持 反对

使用道具 举报

发表于 2009-1-11 12:01:26 | 显示全部楼层
我的买到回来就已经是中文系统,没深究过拆机刷,继续关注。
回复 支持 反对

使用道具 举报

发表于 2009-1-11 13:11:43 | 显示全部楼层

回复 4# 蜗牛201 的帖子

wap68::ii 那是已经被JS改过了
回复 支持 反对

使用道具 举报

发表于 2009-1-11 13:24:05 | 显示全部楼层
这个改不好JJ就被烧坏啦,慎重慎重
回复 支持 反对

使用道具 举报

发表于 2009-1-11 13:47:20 | 显示全部楼层
支持 帮顶
回复 支持 反对

使用道具 举报

发表于 2009-1-11 13:57:18 | 显示全部楼层
支持帮顶
回复 支持 反对

使用道具 举报

发表于 2009-1-11 23:10:00 | 显示全部楼层
强人很不错
回复 支持 反对

使用道具 举报

发表于 2009-1-12 10:37:56 | 显示全部楼层
帮顶了,LZ好学啊::/\fw
回复 支持 反对

使用道具 举报

发表于 2009-1-12 12:28:44 | 显示全部楼层
拍砖路过!
回复 支持 反对

使用道具 举报

发表于 2009-1-12 22:41:55 | 显示全部楼层
直接买S65吧 呵呵 留待高手去研究
回复 支持 反对

使用道具 举报

 楼主| 发表于 2009-9-17 00:26:26 | 显示全部楼层
自己顶一下下~~

总算完成了一桩心愿~~
回复 支持 反对

使用道具 举报

您需要登录后才可以回帖 登录 | 注册会员 微信登录

本版积分规则

小黑屋|Archiver|手机版|爱技术 ( 沪ICP备08115260号-3 )

GMT+8, 2025-10-27 07:33

Powered by Discuz! X3.4 Licensed

Copyright © 2001-2020, Tencent Cloud.

快速回复 返回顶部 返回列表